Toggle menu
204-785-8954
  • LoginorSign Up
  • 0
Prairie Bearing & Bolt
×
×

    Main Menu

  • Home
  • Products
  • Brands
  • Hose Assemblies
  • Legacy Website
  • Shipping & Returns
  • Contact Us
  • Shop By Category

  • Products
    • Abrasives
      • Bonded Abrasives
      • Buffing & Polishing
      • Coated Abrasives
      • Lapping Compounds
      • Wire Products
    • Clearance
    • GPI
      • Hose & Tubing
      • Lubrication
      • Pumps
    • Green Line
      • Adhesives & Sealants
      • Automotive
      • Fittings
      • Hose & Tubing
      • Janitorial
      • Lubrication
      • Measurement
      • Pnuematics
      • Seals & Anti-Contamination
    • Lovejoy
      • Lubrication
      • Power Transmission
    • Vanguard
      • General Hardware
      • Hose & Tubing
      • Material Handling
      • Rigging & Hardware
      • Tools
    • Spaenaur
    • Timken
      • Measurement
      • Power Transmission
    • Additional Freight
      • Testing
    • Adhesives & Sealants
      • Anti-Skid Floor Coatings
      • Application Tools
      • Cyanoacrylates
      • Epoxies
      • Flanges & Gaskets
      • Glues
      • Pipe Sealants
      • Polyurethanes
      • Potting Compounds
      • Primers
      • Reflective Marking Tape
      • Repair Wraps
      • Retaining Compounds
      • Rubberized Coatings
      • Silicones
      • Specialty Automotive
      • Tapes
      • Thread Sealants
      • Threadlockers
      • Tire Sealants
    • Agricultural
      • Belting
      • Cutting Parts
      • Reel Components
      • Sprayer Parts
      • Tines & Teeth
      • Whole Goods & Estate Equiment
    • Ag & Automotive
      • Air Fresheners
      • Automotive Parts
      • Chassis Hardware
      • Exhaust
      • Mudflaps
      • Steering
      • Throttle
      • Windshield Wipers
    • Camping Equipment
    • Fasteners
      • Anchors
      • Automotive
      • Carriage Bolts
      • Dowel Pins
      • Elevator Bolts
      • Furniture Fasteners
      • Hex Head Cap Screws
      • Lag Bolts
      • Nuts
      • Plow Bolts
      • Rivets
      • Scraper Blade Bolts
      • Screws
      • Set Screws
      • Snap Fasteners
      • Socket Head Cap Screws
      • Threaded Inserts
      • Washers
      • Weld Fasteners
    • Bearings
      • Ball Bearings
      • Bearing Blocks
      • Bushings
      • IKO
      • Needle Bearings
      • NTN Bearings
      • Plain Spherical Bearings
      • Rod Ends
      • Spherical Roller Bearings
      • Taper Bearings
      • Taper Bore Accessories
    • Chemicals
      • Air Brakes
      • Air Conditioning
      • Asphalt Agents
      • Belt Dressing
      • Cleaners
      • Concrete Agents
      • Corrosion Inhibitors
      • De-Icers
      • Degreasers
      • Disinfectants
      • Fuel Treatments
      • Heat Barriers
      • Layout Fluid
      • Leak Detection
      • Mould Agents
      • Protectants
      • Repellents
      • Solvents
    • Electrical
      • Alarm Devices
      • Automotive
      • Automotive Terminals
      • Batteries
      • Cable Management
      • Circuit Breakers
      • Electric Motors
      • Extension Cords
      • Ford Series
      • Fuses
      • Generators
      • Housings
      • Modular Contact Connectors
      • Relays & Solenoids
      • Solder & Flux
      • Solder & Solderless Connectors
      • Switches
      • Towing & Trailers
      • Utility Plugs & Outlets
      • Wire & Cable
    • Filtration
      • Filters
    • Fittings
      • Assorted Adapters
      • Brake Bleeder Screws
      • Compression
      • Crimp Fittings
      • DOT Approved
      • Drain Plugs
      • Gruvlok
      • Inverted Flare
      • PEX Fittings
      • Propane & Gas
      • Push Connect
      • Quick Connectors
      • Repair Fittings
      • Reuseable Fittings
      • Sch. 40 Black Iron
      • Sch. 40 Galvanized Iron
      • Valves
      • Water Hose
      • Welding Gases
    • General Hardware
      • 3 Point Attachment
      • Assorted Clamps & U-bolts
      • Gate Hardware
      • Hooks, Rings, Snaps & Latches
      • Keystock
      • Locks
      • Pins
      • Retaining Rings
      • Shim Stock
      • Shims & Bushings
      • Springs
    • Hose & Tubing
      • Accessories
      • Air Lines
      • Clamps
      • DOT Approved
      • Fuel Delivery
      • Hose
      • Hydraulic Assemblies
      • Leak Detection
      • Mounting Hardware
      • Pressure Wash
      • Propane & Gas
      • Protection
      • Sewer Cleaning Assemblies
      • Storage Reels
      • Tubing
      • Water Discharge
      • Welding Gases
    • Industrial Beverages & Electrolytes
      • Freezies
      • Liquid Concentrate
      • Powdered Concentrate
    • Janitorial
      • Dish & Laundry Detergent
      • Garbage Bags
      • Hair & Body Wash
      • Hand Cleaners
      • Hand Sanitizers
      • Liquid Drain Plumber
      • Odour Control
      • Skin Care
      • Toilet Bowls
    • Lighting
      • Flashlights
      • Headlamps
      • Light Bars
      • Light Strips
      • Off Road Kits
      • String Lights
      • Vehicle Lighting
      • Warning Lighting
      • Work Lights
    • Lubrication
      • Application
      • Cutting Fluids
      • Fluid Transfer
      • Greases
      • Lubricating Oils & Fluids
      • Tire Lube
    • Material Handling
      • Cargo Control
      • Caster & Wheels
      • Drums
      • Hand Trucks
      • Lever Pullers
      • Lifting
      • Parts Washers
      • Winches
    • Measurement
      • Electrical Measurement
      • Gauges
      • Levels
      • Masonry & Carpentry
      • Measuring Containers
      • Measuring Scoops
      • Squares
      • Tape Measures
      • Thermal Measurement
      • Tool & Die
    • Paint
      • Application Tools
      • High Temperature
      • Markers
      • Primers
    • Power Transmission
      • Belting
      • Chains
      • Couplers
      • Hubs & Bushings
      • Powerlink
      • PTO
      • Ringball
      • Sheaves
      • Timing Pulleys
      • Westward Parts
    • Pnuematics
      • Blow Guns
      • Distribution
      • FRL's
      • Inflation
    • Pressure Washers
      • Cleaning Agents
    • Rigging & Hardware
      • Block & Tackle
      • Lifting Eye Bolts
      • Link Chain
      • Turnbuckles
      • Web Slings
      • Wire Rope
    • Safety Products
      • Breathing Protection
      • Eye Wash
      • Foot Wear
      • Crowd Control
      • Disposable Suits
      • Eye Wear
      • Fall Protection
      • Forearm Protection
      • FR Clothing
      • Hand Protection
      • Head Gear
      • Hearing Protection
      • Hi-Viz Clothing
      • Knee Protection
      • Rainwear
      • Welding Clothing
    • Seals & Anti-Contamination
      • Back-Up Rings
      • End Covers
      • High Pressure Oil Seals
      • National
      • O-Rings
      • Rubber Caps
      • Rubber Grommets
      • Shaft Seal Repair Sleeves
      • Standard Oil Seals
    • Shop Supplies
      • Document & Operating Manual Storage
      • Inventory Management
      • Marking & Identification
      • Rope
      • Stretch Film
      • Tarpaulins
      • Wire & Tags
    • Signage
      • Placards
    • Tools
      • Air Tools
      • Creepers & Kneeling Mats
      • Cutting Tools
      • Hand Tools
      • Hydraulics
      • Power Tools
      • Presses
      • Sprayers
      • Tool Management
    • Towing & Trailers
      • Clearance & Marker Lights
      • Dollies
      • Mirrors
      • Mounts & Receivers
      • Reflectors
      • Stop-Tail-Turn Lights
      • Tires & Rims
      • Tow Ropes & Recovery Straps
      • Trailer Bearing Kits
      • Trailer Jacks
      • Trailer Lighting
    • Welding Supplies
      • Accessories
      • Chemicals
      • Consumables
      • Marking & Etching
      • MIG & TIG
      • Passivation
      • Torches & Parts
      • Weld Cleaning
      • Welding Blankets
      • Welding Curtains
  • Shop By Brand

  • Timken
  • Spaenaur
  • Mevotech
  • Clarkson-Osborn
  • NTN
  • Greenline
  • Paulin
  • Fairview
  • SKF Seals
  • Baldwin Filters
  • PICO
  • MOOG
  • GSP
  • DMR
  • Masterdrive
  • Jet Tools
  • Ringball
  • Grote
  • IKO
  • National Oil Seals
  • Gruvlok
  • Westward Parts
  • D&D Global
  • Neapco
  • Dynaline
  • Walter
  • Lisle
  • Power-Link
  • Volkel
  • Vanguard
  • Timken/Drives
  • Symmco
  • Tuff Grade
  • Markal
  • Irwin
  • Boss Tools
  • Bob Dale Gloves
  • 3M
  • Lloyds Chemicals
  • Brighton Best
  • Henkel-Loctite
  • Jackson Safety
  • Lucas Products
  • Mityvac
  • Sellstrom
  • Permatex
  • Strongarm
  • Deb/Stoko
  • Olfa
  • GPI
  • KBC Bearings
  • Energizer
  • Ansell
  • AMCAN
  • Emzone
  • Little Tree
  • Advanced Cable Ties
  • Mega Comfort
  • Ez Oil Drain Valve
  • Channellock
  • WD-40
  • ALL-WEATHER
  • J-B WELD
  • Fel-Pro
  • StarTech Lighting
  • Stanadyne
  • Sqwincher
  • Induction Innovations
  • Lubriplate
  • Emhart
  • Flex Seal
  • ClearPlus
  • PIP Canada
  • LockNLube
  • Durabilt
  • NSK
  • Tite-Reach
  • Power Service
  • Seafoam
  • Bestway
  • FAG Bearings
  • Nachi
  • TDW
  • FPPF Chemicals
  • Kano Laboratories
  • Mobil 1
  • Weldmark
  • View all Brands
  • Gift Certificates
  • Login or Sign Up
×

    Main Menu

  • Home
  • Products
  • Brands
  • Hose Assemblies
  • Legacy Website
  • Shipping & Returns
  • Contact Us
  • Shop By Category

  • Products
    • Abrasives
      • Bonded Abrasives
      • Buffing & Polishing
      • Coated Abrasives
      • Lapping Compounds
      • Wire Products
    • Clearance
    • GPI
      • Hose & Tubing
      • Lubrication
      • Pumps
    • Green Line
      • Adhesives & Sealants
      • Automotive
      • Fittings
      • Hose & Tubing
      • Janitorial
      • Lubrication
      • Measurement
      • Pnuematics
      • Seals & Anti-Contamination
    • Lovejoy
      • Lubrication
      • Power Transmission
    • Vanguard
      • General Hardware
      • Hose & Tubing
      • Material Handling
      • Rigging & Hardware
      • Tools
    • Spaenaur
    • Timken
      • Measurement
      • Power Transmission
    • Additional Freight
      • Testing
    • Adhesives & Sealants
      • Anti-Skid Floor Coatings
      • Application Tools
      • Cyanoacrylates
      • Epoxies
      • Flanges & Gaskets
      • Glues
      • Pipe Sealants
      • Polyurethanes
      • Potting Compounds
      • Primers
      • Reflective Marking Tape
      • Repair Wraps
      • Retaining Compounds
      • Rubberized Coatings
      • Silicones
      • Specialty Automotive
      • Tapes
      • Thread Sealants
      • Threadlockers
      • Tire Sealants
    • Agricultural
      • Belting
      • Cutting Parts
      • Reel Components
      • Sprayer Parts
      • Tines & Teeth
      • Whole Goods & Estate Equiment
    • Ag & Automotive
      • Air Fresheners
      • Automotive Parts
      • Chassis Hardware
      • Exhaust
      • Mudflaps
      • Steering
      • Throttle
      • Windshield Wipers
    • Camping Equipment
    • Fasteners
      • Anchors
      • Automotive
      • Carriage Bolts
      • Dowel Pins
      • Elevator Bolts
      • Furniture Fasteners
      • Hex Head Cap Screws
      • Lag Bolts
      • Nuts
      • Plow Bolts
      • Rivets
      • Scraper Blade Bolts
      • Screws
      • Set Screws
      • Snap Fasteners
      • Socket Head Cap Screws
      • Threaded Inserts
      • Washers
      • Weld Fasteners
    • Bearings
      • Ball Bearings
      • Bearing Blocks
      • Bushings
      • IKO
      • Needle Bearings
      • NTN Bearings
      • Plain Spherical Bearings
      • Rod Ends
      • Spherical Roller Bearings
      • Taper Bearings
      • Taper Bore Accessories
    • Chemicals
      • Air Brakes
      • Air Conditioning
      • Asphalt Agents
      • Belt Dressing
      • Cleaners
      • Concrete Agents
      • Corrosion Inhibitors
      • De-Icers
      • Degreasers
      • Disinfectants
      • Fuel Treatments
      • Heat Barriers
      • Layout Fluid
      • Leak Detection
      • Mould Agents
      • Protectants
      • Repellents
      • Solvents
    • Electrical
      • Alarm Devices
      • Automotive
      • Automotive Terminals
      • Batteries
      • Cable Management
      • Circuit Breakers
      • Electric Motors
      • Extension Cords
      • Ford Series
      • Fuses
      • Generators
      • Housings
      • Modular Contact Connectors
      • Relays & Solenoids
      • Solder & Flux
      • Solder & Solderless Connectors
      • Switches
      • Towing & Trailers
      • Utility Plugs & Outlets
      • Wire & Cable
    • Filtration
      • Filters
    • Fittings
      • Assorted Adapters
      • Brake Bleeder Screws
      • Compression
      • Crimp Fittings
      • DOT Approved
      • Drain Plugs
      • Gruvlok
      • Inverted Flare
      • PEX Fittings
      • Propane & Gas
      • Push Connect
      • Quick Connectors
      • Repair Fittings
      • Reuseable Fittings
      • Sch. 40 Black Iron
      • Sch. 40 Galvanized Iron
      • Valves
      • Water Hose
      • Welding Gases
    • General Hardware
      • 3 Point Attachment
      • Assorted Clamps & U-bolts
      • Gate Hardware
      • Hooks, Rings, Snaps & Latches
      • Keystock
      • Locks
      • Pins
      • Retaining Rings
      • Shim Stock
      • Shims & Bushings
      • Springs
    • Hose & Tubing
      • Accessories
      • Air Lines
      • Clamps
      • DOT Approved
      • Fuel Delivery
      • Hose
      • Hydraulic Assemblies
      • Leak Detection
      • Mounting Hardware
      • Pressure Wash
      • Propane & Gas
      • Protection
      • Sewer Cleaning Assemblies
      • Storage Reels
      • Tubing
      • Water Discharge
      • Welding Gases
    • Industrial Beverages & Electrolytes
      • Freezies
      • Liquid Concentrate
      • Powdered Concentrate
    • Janitorial
      • Dish & Laundry Detergent
      • Garbage Bags
      • Hair & Body Wash
      • Hand Cleaners
      • Hand Sanitizers
      • Liquid Drain Plumber
      • Odour Control
      • Skin Care
      • Toilet Bowls
    • Lighting
      • Flashlights
      • Headlamps
      • Light Bars
      • Light Strips
      • Off Road Kits
      • String Lights
      • Vehicle Lighting
      • Warning Lighting
      • Work Lights
    • Lubrication
      • Application
      • Cutting Fluids
      • Fluid Transfer
      • Greases
      • Lubricating Oils & Fluids
      • Tire Lube
    • Material Handling
      • Cargo Control
      • Caster & Wheels
      • Drums
      • Hand Trucks
      • Lever Pullers
      • Lifting
      • Parts Washers
      • Winches
    • Measurement
      • Electrical Measurement
      • Gauges
      • Levels
      • Masonry & Carpentry
      • Measuring Containers
      • Measuring Scoops
      • Squares
      • Tape Measures
      • Thermal Measurement
      • Tool & Die
    • Paint
      • Application Tools
      • High Temperature
      • Markers
      • Primers
    • Power Transmission
      • Belting
      • Chains
      • Couplers
      • Hubs & Bushings
      • Powerlink
      • PTO
      • Ringball
      • Sheaves
      • Timing Pulleys
      • Westward Parts
    • Pnuematics
      • Blow Guns
      • Distribution
      • FRL's
      • Inflation
    • Pressure Washers
      • Cleaning Agents
    • Rigging & Hardware
      • Block & Tackle
      • Lifting Eye Bolts
      • Link Chain
      • Turnbuckles
      • Web Slings
      • Wire Rope
    • Safety Products
      • Breathing Protection
      • Eye Wash
      • Foot Wear
      • Crowd Control
      • Disposable Suits
      • Eye Wear
      • Fall Protection
      • Forearm Protection
      • FR Clothing
      • Hand Protection
      • Head Gear
      • Hearing Protection
      • Hi-Viz Clothing
      • Knee Protection
      • Rainwear
      • Welding Clothing
    • Seals & Anti-Contamination
      • Back-Up Rings
      • End Covers
      • High Pressure Oil Seals
      • National
      • O-Rings
      • Rubber Caps
      • Rubber Grommets
      • Shaft Seal Repair Sleeves
      • Standard Oil Seals
    • Shop Supplies
      • Document & Operating Manual Storage
      • Inventory Management
      • Marking & Identification
      • Rope
      • Stretch Film
      • Tarpaulins
      • Wire & Tags
    • Signage
      • Placards
    • Tools
      • Air Tools
      • Creepers & Kneeling Mats
      • Cutting Tools
      • Hand Tools
      • Hydraulics
      • Power Tools
      • Presses
      • Sprayers
      • Tool Management
    • Towing & Trailers
      • Clearance & Marker Lights
      • Dollies
      • Mirrors
      • Mounts & Receivers
      • Reflectors
      • Stop-Tail-Turn Lights
      • Tires & Rims
      • Tow Ropes & Recovery Straps
      • Trailer Bearing Kits
      • Trailer Jacks
      • Trailer Lighting
    • Welding Supplies
      • Accessories
      • Chemicals
      • Consumables
      • Marking & Etching
      • MIG & TIG
      • Passivation
      • Torches & Parts
      • Weld Cleaning
      • Welding Blankets
      • Welding Curtains
  • Shop By Brand

  • Timken
  • Spaenaur
  • Mevotech
  • Clarkson-Osborn
  • NTN
  • Greenline
  • Paulin
  • Fairview
  • SKF Seals
  • Baldwin Filters
  • PICO
  • MOOG
  • GSP
  • DMR
  • Masterdrive
  • Jet Tools
  • Ringball
  • Grote
  • IKO
  • National Oil Seals
  • Gruvlok
  • Westward Parts
  • D&D Global
  • Neapco
  • Dynaline
  • Walter
  • Lisle
  • Power-Link
  • Volkel
  • Vanguard
  • Timken/Drives
  • Symmco
  • Tuff Grade
  • Markal
  • Irwin
  • Boss Tools
  • Bob Dale Gloves
  • 3M
  • Lloyds Chemicals
  • Brighton Best
  • Henkel-Loctite
  • Jackson Safety
  • Lucas Products
  • Mityvac
  • Sellstrom
  • Permatex
  • Strongarm
  • Deb/Stoko
  • Olfa
  • GPI
  • KBC Bearings
  • Energizer
  • Ansell
  • AMCAN
  • Emzone
  • Little Tree
  • Advanced Cable Ties
  • Mega Comfort
  • Ez Oil Drain Valve
  • Channellock
  • WD-40
  • ALL-WEATHER
  • J-B WELD
  • Fel-Pro
  • StarTech Lighting
  • Stanadyne
  • Sqwincher
  • Induction Innovations
  • Lubriplate
  • Emhart
  • Flex Seal
  • ClearPlus
  • PIP Canada
  • LockNLube
  • Durabilt
  • NSK
  • Tite-Reach
  • Power Service
  • Seafoam
  • Bestway
  • FAG Bearings
  • Nachi
  • TDW
  • FPPF Chemicals
  • Kano Laboratories
  • Mobil 1
  • Weldmark
  • View all Brands
  • Gift Certificates
  • Login or Sign Up
  • Home
  • Products
  • Bearings
  • NTN Bearings
  • Ball Bearings
  • Insert Bearings
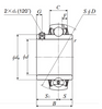
  • 2-11/16" Spherical Insert Wide Set Screw Ball Bearing - Medium Duty UCX14-211D1
  • 2-11/16" Spherical Insert Wide Set Screw Ball Bearing - Medium Duty  UCX14-211D1
  • 2-11/16" Spherical Insert Wide Set Screw Ball Bearing - Medium Duty  UCX14-211D1
  • 2-11/16" Spherical Insert Wide Set Screw Ball Bearing - Medium Duty  UCX14-211D1
  • 2-11/16" Spherical Insert Wide Set Screw Ball Bearing - Medium Duty  UCX14-211D1
  • 2-11/16" Spherical Insert Wide Set Screw Ball Bearing - Medium Duty  UCX14-211D1
  • 2-11/16" Spherical Insert Wide Set Screw Ball Bearing - Medium Duty  UCX14-211D1 2-11/16" Spherical Insert Wide Set Screw Ball Bearing - Medium Duty  UCX14-211D1 2-11/16" Spherical Insert Wide Set Screw Ball Bearing - Medium Duty  UCX14-211D1 2-11/16" Spherical Insert Wide Set Screw Ball Bearing - Medium Duty  UCX14-211D1 2-11/16" Spherical Insert Wide Set Screw Ball Bearing - Medium Duty  UCX14-211D1

    2-11/16" Spherical Insert Wide Set Screw Ball Bearing - Medium Duty UCX14-211D1

    NTN

    MSRP:
    Now: $229.48
    (You save )
    (No reviews yet) Write a Review
    SKU:
    UCX14-211D1
    UPC:
    UPC 4547359230703
    Weight:
    6.00 LBS
    Width:
    4.33 (in)
    Height:
    1.69 (in)
    Depth:
    3.76 (in)
    Bearing type:
    Deep groove self aligning ball bearing insert
    Outer diameter profile:
    Spherical
    Shaft profile:
    Round
    Material:
    Through hardened steel
    Seal type:
    Contact
    Seal material:
    Nitrile rubber
    Classification:
    Medium duty
    Locking device:
    Inner race set screws
    Greasable:
    Yes
    Radial internal clearance:
    CN
    Enclosure:
    Sealed w/Flinger
    Operating temperature range:
    -10°C ~ 100°C (14°F ~ 212°F)

    Adding to cart… category.add_cart_announcement
    Add to Wish List
    • Create New Wish List
    • Facebook
    • Email
    • Print
    • Twitter
    • Pinterest
    • Overview
    • Reviews

    Product Description

  • NTN has too many products to list in one book! Please follow this link to access their rich catalog database and detailed information on specific products.

  • If you would like to use the NTN bearing finder software, please follow this link to access their helpful identification tool.

  • Insert bearings are used in a wide spectrum of applications ranging from industrial, agricultural, food handling, manufacturing, and heavy vehicle maintenance
  • These common insert bearings, regardless their locking style, can be placed in may types of pillow blocks, 2-bolt, 3-bolt and 4-bolt flanges, take-up units as well as stamped steel housings
  • The "D1" suffix found on selected insert bearings designates that bearing is greasable and has at least one opening in the outer race for lubricant access
  • The "W3" suffix denotes the locking collar's set screw has a cup point
  • Locking collar, spherical outer diameter, insert bearings are available in the standard duty, flush backside,"200" series (i.e AEL208-108) and the wider, extended inner race series w/flinger option (UEL208-108)
  • Locking collar, cylindrical insert bearings with smooth outer diameters and flush backsides are available in the (i.e AELS208-108) series and allow you to press fit the bearing into place rather than mount in a self aligning housing
  • Another variant of the cylindrical insert bearing is the double set screw w/snap ring grooved O.D. denoted as the "ASS" series (ASS205-100D1) which offers even more mounting options
  • For medium duty self aligning ball bearing applications, please use the set screw w/flinger "X" (i.e. UCX08-108) series
  • For heavy duty self aligning ball bearing applications, please use the set screw w/flinger "300" (i.e. UC308-108) series
  • Did you know that you can interchange "X" medium duty inserts with "300" series heavy duty designs? Only shaft sizes 13/16 ~ 1-7/16" and metric sizes 25 ~ 35mm (see the first three bearing groupings in attached catalog image) have the exact same outer dimensions as one another, knowing this helps in a pinch


  • adobepdficon.png  NTN Cast Iron Insert Bearing Components

     


    adobepdficon.png  NTN Ball & Roller Bearings General Catalog

     


    adobepdficon.png  NTN Bearing Nomenclature

     

    Product Videos

    Custom Field

    Bearing type Deep groove self aligning ball bearing insert
    Outer diameter profile Spherical
    Shaft profile Round
    Material Through hardened steel
    Seal type Contact
    Seal material Nitrile rubber
    Classification Medium duty
    Locking device Inner race set screws
    Greasable Yes
    Radial internal clearance CN
    Enclosure Sealed w/Flinger
    Operating temperature range -10°C ~ 100°C (14°F ~ 212°F)

    Product Reviews

    Write a Review

    Write a Review

    ×
    2-11/16" Spherical Insert Wide Set Screw Ball Bearing - Medium Duty  UCX14-211D1
    NTN
    2-11/16" Spherical Insert Wide Set Screw Ball Bearing - Medium Duty UCX14-211D1

    ×

    Recommended

    • 2-11/16" Medium Duty Spherical Ball Bearing Insert w/Set Screws    UCX14-211D1 2-11/16" Medium Duty Spherical Ball Bearing Insert w/Set Screws    UCX14-211D1 2-11/16" Medium Duty Spherical Ball Bearing Insert w/Set Screws    UCX14-211D1 2-11/16" Medium Duty Spherical Ball Bearing Insert w/Set Screws    UCX14-211D1

      NTN

      |

      sku: NTN UCX14-211D1

      2-11/16" Medium Duty Spherical Ball Bearing Insert w/Set Screws UCX14-211D1

      MSRP:
      Now: $239.12
      Add to Cart
    • 2-11/16" Spherical Insert Wide Set Screw Ball Bearing - Heavy Duty  UC314-211D1 2-11/16" Spherical Insert Wide Set Screw Ball Bearing - Heavy Duty  UC314-211D1 2-11/16" Spherical Insert Wide Set Screw Ball Bearing - Heavy Duty  UC314-211D1 2-11/16" Spherical Insert Wide Set Screw Ball Bearing - Heavy Duty  UC314-211D1

      NTN

      |

      sku: UC314-211D1

      2-11/16" Spherical Insert Wide Set Screw Ball Bearing - Heavy Duty UC314-211D1

      MSRP:
      Now: $781.50
      Add to Cart
    • 2-11/16" Spherical Insert Wide Set Screw Ball Bearing - Standard Duty  UC214-211D1 2-11/16" Spherical Insert Wide Set Screw Ball Bearing - Standard Duty  UC214-211D1 2-11/16" Spherical Insert Wide Set Screw Ball Bearing - Standard Duty  UC214-211D1 2-11/16" Spherical Insert Wide Set Screw Ball Bearing - Standard Duty  UC214-211D1

      NTN

      |

      sku: UC214-211D1

      2-11/16" Spherical Insert Wide Set Screw Ball Bearing - Standard Duty UC214-211D1

      MSRP:
      Now: $171.48
      Add to Cart
    • 2-3/4" Spherical Insert Wide Set Screw Ball Bearing - Medium Duty  UCX14-212D1 2-3/4" Spherical Insert Wide Set Screw Ball Bearing - Medium Duty  UCX14-212D1 2-3/4" Spherical Insert Wide Set Screw Ball Bearing - Medium Duty  UCX14-212D1 2-3/4" Spherical Insert Wide Set Screw Ball Bearing - Medium Duty  UCX14-212D1

      NTN

      |

      sku: UCX14-212D1

      2-3/4" Spherical Insert Wide Set Screw Ball Bearing - Medium Duty UCX14-212D1

      MSRP:
      Now: $229.48
      Add to Cart
    ×
    Join Our Mailing List for special offers!
    Contact Us
    Prairie Bearing & Bolt
    44-A Mercy Street
    Selkirk, MB R1A 1Z7
    Canada
    Accounts & Orders
    • Wishlist
    • Login or Sign Up
    • Shipping & Returns
    Quick Links
    • Home
    • Products
    • Brands
    • Hose Assemblies
    • Legacy Website
    • Shipping & Returns
    • Contact Us
    Connect with Us:
    • © Prairie Bearing & Bolt
    • |
    • Sitemap