Toggle menu
204-785-8954
  • LoginorSign Up
  • 0
Prairie Bearing & Bolt
×
×

    Main Menu

  • Home
  • Products
  • Brands
  • Hose Assemblies
  • Flyers & Generic Catalogues
  • Legacy Website
  • Shipping & Returns
  • Contact Us
  • Shop By Category

  • Products
    • Abrasives
      • Bonded Abrasives
      • Buffing & Polishing
      • Coated Abrasives
      • Lapping Compounds
      • Wire Products
    • Spaenaur
    • Timken
      • Measurement
      • Power Transmission
    • Additional Freight
      • Testing
    • Adhesives & Sealants
      • Anti-Skid Floor Coatings
      • Application Tools
      • Cyanoacrylates
      • Epoxies
      • Flanges & Gaskets
      • Glues
      • Pipe Sealants
      • Polyurethanes
      • Potting Compounds
      • Primers
      • Reflective Marking Tape
      • Repair Wraps
      • Retaining Compounds
      • Rubberized Coatings
      • Silicones
      • Specialty Automotive
      • Tapes
      • Thread Sealants
      • Threadlockers
      • Tire Sealants
    • Agricultural
      • Belting
      • Cutting Parts
      • Reel Components
      • Sprayer Parts
      • Tines & Teeth
      • Whole Goods & Estate Equiment
    • Ag & Automotive
      • Air Fresheners
      • Automotive Parts
      • Chassis Hardware
      • Exhaust
      • Mudflaps
      • Steering
      • Throttle
      • Windshield Wipers
    • Camping Equipment
    • Fasteners
      • Anchors
      • Automotive
      • Carriage Bolts
      • Dowel Pins
      • Elevator Bolts
      • Furniture Fasteners
      • Hex Head Cap Screws
      • Lag Bolts
      • Nuts
      • Plow Bolts
      • Rivets
      • Scraper Blade Bolts
      • Screws
      • Set Screws
      • Snap Fasteners
      • Socket Head Cap Screws
      • Threaded Inserts
      • Washers
      • Weld Fasteners
    • Bearings
      • Ball Bearings
      • Bearing Blocks
      • Bushings
      • IKO
      • Needle Bearings
      • NTN Bearings
      • Plain Spherical Bearings
      • Rod Ends
      • Spherical Roller Bearings
      • Taper Bearings
      • Taper Bore Accessories
    • Chemicals
      • Air Brakes
      • Air Conditioning
      • Asphalt Agents
      • Belt Dressing
      • Cleaners
      • Concrete Agents
      • Corrosion Inhibitors
      • De-Icers
      • Degreasers
      • Disinfectants
      • Fuel Treatments
      • Heat Barriers
      • Layout Fluid
      • Leak Detection
      • Mould Agents
      • Protectants
      • Repellents
      • Solvents
    • Electrical
      • Alarm Devices
      • Automotive
      • Automotive Terminals
      • Batteries
      • Cable Management
      • Circuit Breakers
      • Electric Motors
      • Extension Cords
      • Ford Series
      • Fuses
      • Generators
      • Housings
      • Modular Contact Connectors
      • Relays & Solenoids
      • Solder & Flux
      • Solder & Solderless Connectors
      • Switches
      • Towing & Trailers
      • Utility Plugs & Outlets
      • Wire & Cable
    • Filtration
      • Filters
    • Fittings
      • Assorted Adapters
      • Brake Bleeder Screws
      • Compression
      • Crimp Fittings
      • DOT Approved
      • Drain Plugs
      • Gruvlok
      • Inverted Flare
      • PEX Fittings
      • Propane & Gas
      • Push Connect
      • Quick Connectors
      • Repair Fittings
      • Reuseable Fittings
      • Sch. 40 Black Iron
      • Sch. 40 Galvanized Iron
      • Valves
      • Water Hose
      • Welding Gases
    • General Hardware
      • 3 Point Attachment
      • Assorted Clamps & U-bolts
      • Gate Hardware
      • Hooks, Rings, Snaps & Latches
      • Keystock
      • Locks
      • Pins
      • Retaining Rings
      • Shim Stock
      • Shims & Bushings
      • Springs
    • Green Line
      • Adhesives & Sealants
      • Automotive
      • Fittings
      • Hose & Tubing
      • Janitorial
      • Lubrication
      • Measurement
      • Pnuematics
      • Sch. 40 Black Iron
      • Seals & Anti-Contamination
    • Hose & Tubing
      • Accessories
      • Air Lines
      • Clamps
      • DOT Approved
      • Fuel Delivery
      • Hose
      • Hydraulic Assemblies
      • Leak Detection
      • Mounting Hardware
      • Pressure Wash
      • Propane & Gas
      • Protection
      • Sewer Cleaning Assemblies
      • Storage Reels
      • Tubing
      • Water Discharge
      • Welding Gases
    • Industrial Beverages & Electrolytes
      • Freezies
      • Liquid Concentrate
      • Powdered Concentrate
    • Janitorial
      • Dish & Laundry Detergent
      • Garbage Bags
      • Hair & Body Wash
      • Hand Cleaners
      • Hand Sanitizers
      • Liquid Drain Plumber
      • Odour Control
      • Skin Care
      • Toilet Bowls
    • Lighting
      • Flashlights
      • Headlamps
      • Light Bars
      • Light Strips
      • Off Road Kits
      • String Lights
      • Vehicle Lighting
      • Warning Lighting
      • Work Lights
    • Lovejoy
      • Lubrication
      • Power Transmission
    • Lubrication
      • Application
      • Cutting Fluids
      • Fluid Transfer
      • Greases
      • Lubricating Oils & Fluids
      • Tire Lube
    • Material Handling
      • Cargo Control
      • Caster & Wheels
      • Drums
      • Hand Trucks
      • Lever Pullers
      • Lifting
      • Parts Washers
      • Winches
    • Measurement
      • Electrical Measurement
      • Gauges
      • Levels
      • Masonry & Carpentry
      • Measuring Containers
      • Measuring Scoops
      • Squares
      • Tape Measures
      • Thermal Measurement
      • Tool & Die
    • Milwaukee
    • Paint
      • Application Tools
      • High Temperature
      • Markers
      • Primers
    • Pnuematics
      • Blow Guns
      • Distribution
      • FRL's
      • Inflation
    • Power Transmission
      • Bar Chains
      • Belting
      • Couplers
      • Pintle Chains
      • PTO
      • Roller Chains
      • Sheaves
      • Sprockets
      • Timing Pulleys
      • Westward Parts
    • Pressure Washers
      • Cleaning Agents
    • Rigging & Hardware
      • Block & Tackle
      • Lifting Eye Bolts
      • Link Chain
      • Turnbuckles
      • Web Slings
      • Wire Rope
    • Safety Products
      • Breathing Protection
      • Eye Wash
      • Foot Wear
      • Crowd Control
      • Disposable Suits
      • Eye Wear
      • Fall Protection
      • Forearm Protection
      • FR Clothing
      • Hand Protection
      • Head Gear
      • Hearing Protection
      • Hi-Viz Clothing
      • Knee Protection
      • Rainwear
      • Welding Clothing
    • Seals & Anti-Contamination
      • Back-Up Rings
      • End Covers
      • High Pressure Oil Seals
      • National
      • O-Rings
      • Rubber Caps
      • Rubber Grommets
      • Shaft Seal Repair Sleeves
      • Standard Oil Seals
    • Shop Supplies
      • Document & Operating Manual Storage
      • Inventory Management
      • Marking & Identification
      • Rope
      • Stretch Film
      • Tarpaulins
      • Wire & Tags
    • Signage
      • Placards
    • Tools
      • Air Tools
      • Creepers & Kneeling Mats
      • Cutting Tools
      • Hand Tools
      • Hydraulics
      • Power Tools
      • Presses
      • Sprayers
      • Tool Management
    • Towing & Trailers
      • Clearance & Marker Lights
      • Dollies
      • Mirrors
      • Mounts & Receivers
      • Reflectors
      • Stop-Tail-Turn Lights
      • Tires & Rims
      • Tow Ropes & Recovery Straps
      • Trailer Bearing Kits
      • Trailer Jacks
      • Trailer Lighting
    • Vanguard
      • General Hardware
      • Hose & Tubing
      • Material Handling
      • Rigging & Hardware
      • Tools
    • Welding Supplies
      • Accessories
      • Chemicals
      • Consumables
      • Marking & Etching
      • MIG & TIG
      • Passivation
      • Torches & Parts
      • Weld Cleaning
      • Welding Blankets
      • Welding Curtains
  • Shop By Brand

  • Timken
  • Spaenaur
  • Raybestos
  • Mevotech
  • Clarkson-Osborn
  • NTN
  • Greenline
  • Paulin
  • Fairview
  • SKF Seals
  • Baldwin Filters
  • Milwaukee
  • PICO
  • MOOG
  • GSP
  • DMR
  • Masterdrive
  • Jet Tools
  • Grote
  • IKO
  • National Oil Seals
  • Gruvlok
  • Westward Parts
  • Dynaline
  • D&D Global
  • Neapco
  • Walter
  • AMCAN
  • Lisle
  • Timken Oil Seals
  • Timken/Drives
  • Volkel
  • Vanguard
  • Symmco
  • Tuff Grade
  • Markal
  • Irwin
  • Boss Tools
  • Bob Dale Gloves
  • 3M
  • Lloyds Chemicals
  • Brighton Best
  • Henkel-Loctite
  • Jackson Safety
  • Lucas Products
  • Empire
  • RBL
  • Sellstrom
  • Permatex
  • Strongarm
  • Deb/Stoko
  • Olfa
  • KBC Bearings
  • Energizer
  • Ansell
  • Emzone
  • Little Tree
  • Stiletto
  • Advanced Cable Ties
  • Mega Comfort
  • Ez Oil Drain Valve
  • Channellock
  • WD-40
  • ALL-WEATHER
  • J-B WELD
  • Fel-Pro
  • StarTech Lighting
  • Stanadyne
  • Sqwincher
  • Induction Innovations
  • Lubriplate
  • Emhart
  • Flex Seal
  • ClearPlus
  • PIP Canada
  • LockNLube
  • Ringball
  • Durabilt
  • NSK
  • Seafoam
  • Tite-Reach
  • Bestway
  • Nachi
  • Power-Link
  • TDW
  • FAG Bearings
  • FPPF Chemicals
  • Kano Laboratories
  • Mobil 1
  • Power Service
  • Weldmark
  • View all Brands
  • Gift Certificates
  • Login or Sign Up
×

    Main Menu

  • Home
  • Products
  • Brands
  • Hose Assemblies
  • Flyers & Generic Catalogues
  • Legacy Website
  • Shipping & Returns
  • Contact Us
  • Shop By Category

  • Products
    • Abrasives
      • Bonded Abrasives
      • Buffing & Polishing
      • Coated Abrasives
      • Lapping Compounds
      • Wire Products
    • Spaenaur
    • Timken
      • Measurement
      • Power Transmission
    • Additional Freight
      • Testing
    • Adhesives & Sealants
      • Anti-Skid Floor Coatings
      • Application Tools
      • Cyanoacrylates
      • Epoxies
      • Flanges & Gaskets
      • Glues
      • Pipe Sealants
      • Polyurethanes
      • Potting Compounds
      • Primers
      • Reflective Marking Tape
      • Repair Wraps
      • Retaining Compounds
      • Rubberized Coatings
      • Silicones
      • Specialty Automotive
      • Tapes
      • Thread Sealants
      • Threadlockers
      • Tire Sealants
    • Agricultural
      • Belting
      • Cutting Parts
      • Reel Components
      • Sprayer Parts
      • Tines & Teeth
      • Whole Goods & Estate Equiment
    • Ag & Automotive
      • Air Fresheners
      • Automotive Parts
      • Chassis Hardware
      • Exhaust
      • Mudflaps
      • Steering
      • Throttle
      • Windshield Wipers
    • Camping Equipment
    • Fasteners
      • Anchors
      • Automotive
      • Carriage Bolts
      • Dowel Pins
      • Elevator Bolts
      • Furniture Fasteners
      • Hex Head Cap Screws
      • Lag Bolts
      • Nuts
      • Plow Bolts
      • Rivets
      • Scraper Blade Bolts
      • Screws
      • Set Screws
      • Snap Fasteners
      • Socket Head Cap Screws
      • Threaded Inserts
      • Washers
      • Weld Fasteners
    • Bearings
      • Ball Bearings
      • Bearing Blocks
      • Bushings
      • IKO
      • Needle Bearings
      • NTN Bearings
      • Plain Spherical Bearings
      • Rod Ends
      • Spherical Roller Bearings
      • Taper Bearings
      • Taper Bore Accessories
    • Chemicals
      • Air Brakes
      • Air Conditioning
      • Asphalt Agents
      • Belt Dressing
      • Cleaners
      • Concrete Agents
      • Corrosion Inhibitors
      • De-Icers
      • Degreasers
      • Disinfectants
      • Fuel Treatments
      • Heat Barriers
      • Layout Fluid
      • Leak Detection
      • Mould Agents
      • Protectants
      • Repellents
      • Solvents
    • Electrical
      • Alarm Devices
      • Automotive
      • Automotive Terminals
      • Batteries
      • Cable Management
      • Circuit Breakers
      • Electric Motors
      • Extension Cords
      • Ford Series
      • Fuses
      • Generators
      • Housings
      • Modular Contact Connectors
      • Relays & Solenoids
      • Solder & Flux
      • Solder & Solderless Connectors
      • Switches
      • Towing & Trailers
      • Utility Plugs & Outlets
      • Wire & Cable
    • Filtration
      • Filters
    • Fittings
      • Assorted Adapters
      • Brake Bleeder Screws
      • Compression
      • Crimp Fittings
      • DOT Approved
      • Drain Plugs
      • Gruvlok
      • Inverted Flare
      • PEX Fittings
      • Propane & Gas
      • Push Connect
      • Quick Connectors
      • Repair Fittings
      • Reuseable Fittings
      • Sch. 40 Black Iron
      • Sch. 40 Galvanized Iron
      • Valves
      • Water Hose
      • Welding Gases
    • General Hardware
      • 3 Point Attachment
      • Assorted Clamps & U-bolts
      • Gate Hardware
      • Hooks, Rings, Snaps & Latches
      • Keystock
      • Locks
      • Pins
      • Retaining Rings
      • Shim Stock
      • Shims & Bushings
      • Springs
    • Green Line
      • Adhesives & Sealants
      • Automotive
      • Fittings
      • Hose & Tubing
      • Janitorial
      • Lubrication
      • Measurement
      • Pnuematics
      • Sch. 40 Black Iron
      • Seals & Anti-Contamination
    • Hose & Tubing
      • Accessories
      • Air Lines
      • Clamps
      • DOT Approved
      • Fuel Delivery
      • Hose
      • Hydraulic Assemblies
      • Leak Detection
      • Mounting Hardware
      • Pressure Wash
      • Propane & Gas
      • Protection
      • Sewer Cleaning Assemblies
      • Storage Reels
      • Tubing
      • Water Discharge
      • Welding Gases
    • Industrial Beverages & Electrolytes
      • Freezies
      • Liquid Concentrate
      • Powdered Concentrate
    • Janitorial
      • Dish & Laundry Detergent
      • Garbage Bags
      • Hair & Body Wash
      • Hand Cleaners
      • Hand Sanitizers
      • Liquid Drain Plumber
      • Odour Control
      • Skin Care
      • Toilet Bowls
    • Lighting
      • Flashlights
      • Headlamps
      • Light Bars
      • Light Strips
      • Off Road Kits
      • String Lights
      • Vehicle Lighting
      • Warning Lighting
      • Work Lights
    • Lovejoy
      • Lubrication
      • Power Transmission
    • Lubrication
      • Application
      • Cutting Fluids
      • Fluid Transfer
      • Greases
      • Lubricating Oils & Fluids
      • Tire Lube
    • Material Handling
      • Cargo Control
      • Caster & Wheels
      • Drums
      • Hand Trucks
      • Lever Pullers
      • Lifting
      • Parts Washers
      • Winches
    • Measurement
      • Electrical Measurement
      • Gauges
      • Levels
      • Masonry & Carpentry
      • Measuring Containers
      • Measuring Scoops
      • Squares
      • Tape Measures
      • Thermal Measurement
      • Tool & Die
    • Milwaukee
    • Paint
      • Application Tools
      • High Temperature
      • Markers
      • Primers
    • Pnuematics
      • Blow Guns
      • Distribution
      • FRL's
      • Inflation
    • Power Transmission
      • Bar Chains
      • Belting
      • Couplers
      • Pintle Chains
      • PTO
      • Roller Chains
      • Sheaves
      • Sprockets
      • Timing Pulleys
      • Westward Parts
    • Pressure Washers
      • Cleaning Agents
    • Rigging & Hardware
      • Block & Tackle
      • Lifting Eye Bolts
      • Link Chain
      • Turnbuckles
      • Web Slings
      • Wire Rope
    • Safety Products
      • Breathing Protection
      • Eye Wash
      • Foot Wear
      • Crowd Control
      • Disposable Suits
      • Eye Wear
      • Fall Protection
      • Forearm Protection
      • FR Clothing
      • Hand Protection
      • Head Gear
      • Hearing Protection
      • Hi-Viz Clothing
      • Knee Protection
      • Rainwear
      • Welding Clothing
    • Seals & Anti-Contamination
      • Back-Up Rings
      • End Covers
      • High Pressure Oil Seals
      • National
      • O-Rings
      • Rubber Caps
      • Rubber Grommets
      • Shaft Seal Repair Sleeves
      • Standard Oil Seals
    • Shop Supplies
      • Document & Operating Manual Storage
      • Inventory Management
      • Marking & Identification
      • Rope
      • Stretch Film
      • Tarpaulins
      • Wire & Tags
    • Signage
      • Placards
    • Tools
      • Air Tools
      • Creepers & Kneeling Mats
      • Cutting Tools
      • Hand Tools
      • Hydraulics
      • Power Tools
      • Presses
      • Sprayers
      • Tool Management
    • Towing & Trailers
      • Clearance & Marker Lights
      • Dollies
      • Mirrors
      • Mounts & Receivers
      • Reflectors
      • Stop-Tail-Turn Lights
      • Tires & Rims
      • Tow Ropes & Recovery Straps
      • Trailer Bearing Kits
      • Trailer Jacks
      • Trailer Lighting
    • Vanguard
      • General Hardware
      • Hose & Tubing
      • Material Handling
      • Rigging & Hardware
      • Tools
    • Welding Supplies
      • Accessories
      • Chemicals
      • Consumables
      • Marking & Etching
      • MIG & TIG
      • Passivation
      • Torches & Parts
      • Weld Cleaning
      • Welding Blankets
      • Welding Curtains
  • Shop By Brand

  • Timken
  • Spaenaur
  • Raybestos
  • Mevotech
  • Clarkson-Osborn
  • NTN
  • Greenline
  • Paulin
  • Fairview
  • SKF Seals
  • Baldwin Filters
  • Milwaukee
  • PICO
  • MOOG
  • GSP
  • DMR
  • Masterdrive
  • Jet Tools
  • Grote
  • IKO
  • National Oil Seals
  • Gruvlok
  • Westward Parts
  • Dynaline
  • D&D Global
  • Neapco
  • Walter
  • AMCAN
  • Lisle
  • Timken Oil Seals
  • Timken/Drives
  • Volkel
  • Vanguard
  • Symmco
  • Tuff Grade
  • Markal
  • Irwin
  • Boss Tools
  • Bob Dale Gloves
  • 3M
  • Lloyds Chemicals
  • Brighton Best
  • Henkel-Loctite
  • Jackson Safety
  • Lucas Products
  • Empire
  • RBL
  • Sellstrom
  • Permatex
  • Strongarm
  • Deb/Stoko
  • Olfa
  • KBC Bearings
  • Energizer
  • Ansell
  • Emzone
  • Little Tree
  • Stiletto
  • Advanced Cable Ties
  • Mega Comfort
  • Ez Oil Drain Valve
  • Channellock
  • WD-40
  • ALL-WEATHER
  • J-B WELD
  • Fel-Pro
  • StarTech Lighting
  • Stanadyne
  • Sqwincher
  • Induction Innovations
  • Lubriplate
  • Emhart
  • Flex Seal
  • ClearPlus
  • PIP Canada
  • LockNLube
  • Ringball
  • Durabilt
  • NSK
  • Seafoam
  • Tite-Reach
  • Bestway
  • Nachi
  • Power-Link
  • TDW
  • FAG Bearings
  • FPPF Chemicals
  • Kano Laboratories
  • Mobil 1
  • Power Service
  • Weldmark
  • View all Brands
  • Gift Certificates
  • Login or Sign Up
  • Home
  • Products
  • General Hardware
  • Retaining Rings
  • SAE
  • External
  • Standard
  • Phosphate Coated
  • .125 ~ 10.00"
  • External SAE Phosphated Standard Retaining Ring SH-0162-PA
  • External SAE Phosphated Standard Retaining Ring  SH-0162-PA
  • External SAE Phosphated Standard Retaining Ring  SH-0162-PA
  • External SAE Phosphated Standard Retaining Ring  SH-0162-PA
  • External SAE Phosphated Standard Retaining Ring  SH-0162-PA External SAE Phosphated Standard Retaining Ring  SH-0162-PA External SAE Phosphated Standard Retaining Ring  SH-0162-PA

    External SAE Phosphated Standard Retaining Ring SH-0162-PA

    DMR

    MSRP:
    Now: $0.00
    (You save )
    (No reviews yet) Write a Review
    SKU:
    DAE SH-0162-PA
    Weight:
    0.01 LBS
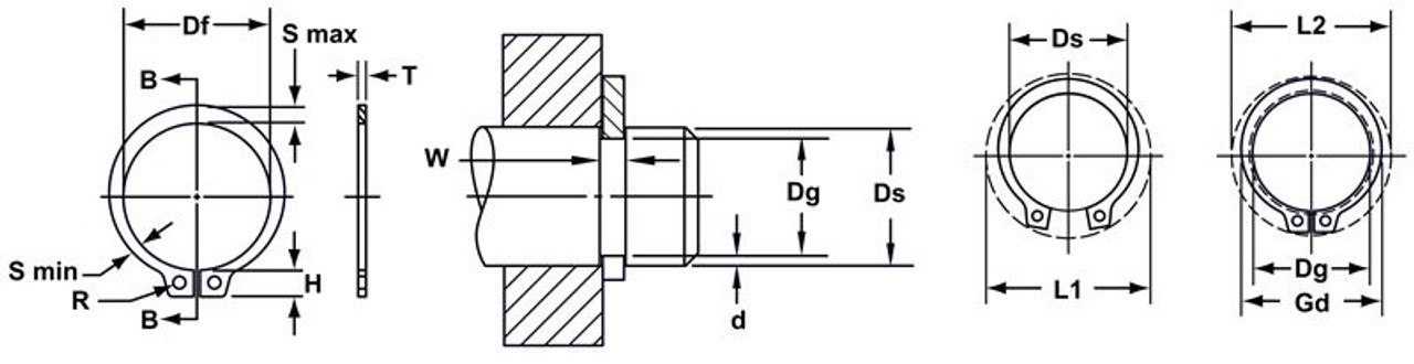
    Alternate manufacturers numbers:
    Waldes Truarc 5100-162 / Dynaline 22953 (10/pk)
    Material finish:
    Phosphate coating
    Ring material:
    Carbon spring steel (SAE 1060-1090/UNS G10600-G10900)
    Size range:
    .1250 ~ 10.0"
    Recommendation:
    The standard finish is recommended over unfinished plain steel since it offers extended shelf-life protection against rusting

    Adding to cart… category.add_cart_announcement
    Add to Wish List
    • Create New Wish List
    • Facebook
    • Email
    • Print
    • Twitter
    • Pinterest
    • Overview
    • Reviews

    Product Description

    With regards to the SH series retaining rings, only the black phosphate coated (SH-PA) and stainless steel (SH-H) rings are listed in this database, however other finishes are available upon special request

    Alternate Finishes Available:

  • (SH-ZD) Yellow Zinc Dichromate - It affords the metal excellent salt spray protection (96 hours) and is particularly effective for applications exposed to seawater. This retaining rings zinc plated finish utilizes a mechanical plating process which effectively eliminates hydrogen embrittlement
  • (SH-Z3X) Trivalent Chromate Zinc Plus Sealer
  • (SH-ZF) Clear Bright Zinc

     

     adobepdficon.png  DMR Retaining Rings

     

  •  

    Product Videos

    Custom Field

    Alternate manufacturers numbers Waldes Truarc 5100-162 / Dynaline 22953 (10/pk)
    Material finish Phosphate coating
    Ring material Carbon spring steel (SAE 1060-1090/UNS G10600-G10900)
    Size range .1250 ~ 10.0"
    Recommendation The standard finish is recommended over unfinished plain steel since it offers extended shelf-life protection against rusting

    Product Reviews

    Write a Review

    Write a Review

    ×
    External SAE Phosphated Standard Retaining Ring  SH-0162-PA
    DMR
    External SAE Phosphated Standard Retaining Ring SH-0162-PA

    ×

    Recommended

    • External SAE Phosphated Standard Retaining Ring  SH-0206-PA External SAE Phosphated Standard Retaining Ring  SH-0206-PA External SAE Phosphated Standard Retaining Ring  SH-0206-PA External SAE Phosphated Standard Retaining Ring  SH-0206-PA

      DMR

      |

      sku: DAE SH-0206-PA

      External SAE Phosphated Standard Retaining Ring SH-0206-PA

      MSRP:
      Now: $0.00
    • External SAE Phosphated Standard Retaining Ring  SH-0084-PA External SAE Phosphated Standard Retaining Ring  SH-0084-PA External SAE Phosphated Standard Retaining Ring  SH-0084-PA External SAE Phosphated Standard Retaining Ring  SH-0084-PA

      DMR

      |

      sku: DAE SH-0084-PA

      External SAE Phosphated Standard Retaining Ring SH-0084-PA

      MSRP:
      Now: $0.00
    • External SAE Phosphated Standard Retaining Ring  SH-0334-PA External SAE Phosphated Standard Retaining Ring  SH-0334-PA External SAE Phosphated Standard Retaining Ring  SH-0334-PA External SAE Phosphated Standard Retaining Ring  SH-0334-PA

      DMR

      |

      sku: DAE SH-0334-PA

      External SAE Phosphated Standard Retaining Ring SH-0334-PA

      MSRP:
      Now: $0.00
    • External SAE Phosphated Standard Retaining Ring  SH-0550-PA External SAE Phosphated Standard Retaining Ring  SH-0550-PA External SAE Phosphated Standard Retaining Ring  SH-0550-PA External SAE Phosphated Standard Retaining Ring  SH-0550-PA

      DMR

      |

      sku: DAE SH-0550-PA

      External SAE Phosphated Standard Retaining Ring SH-0550-PA

      MSRP:
      Now: $0.00
    ×
    Join Our Mailing List for special offers!
    Contact Us
    Prairie Bearing & Bolt
    44-A Mercy Street
    Selkirk, MB R1A 1Z7
    Canada
    Accounts & Orders
    • Wishlist
    • Login or Sign Up
    • Shipping & Returns
    Quick Links
    • Home
    • Products
    • Brands
    • Hose Assemblies
    • Flyers & Generic Catalogues
    • Legacy Website
    • Shipping & Returns
    • Contact Us
    Connect with Us:
    • © Prairie Bearing & Bolt
    • |
    • Sitemap