Toggle menu
204-785-8954
  • LoginorSign Up
  • 0
Prairie Bearing & Bolt
×
×

    Main Menu

  • Home
  • Products
  • Brands
  • Hose Assemblies
  • Flyers & Generic Catalogues
  • Legacy Website
  • Shipping & Returns
  • Contact Us
  • Shop By Category

  • Products
    • Abrasives
      • Bonded Abrasives
      • Buffing & Polishing
      • Coated Abrasives
      • Lapping Compounds
      • Wire Products
    • Spaenaur
    • Timken
      • Measurement
      • Power Transmission
    • Additional Freight
      • Testing
    • Adhesives & Sealants
      • Anti-Skid Floor Coatings
      • Application Tools
      • Cyanoacrylates
      • Epoxies
      • Flanges & Gaskets
      • Glues
      • Pipe Sealants
      • Polyurethanes
      • Potting Compounds
      • Primers
      • Reflective Marking Tape
      • Repair Wraps
      • Retaining Compounds
      • Rubberized Coatings
      • Silicones
      • Specialty Automotive
      • Tapes
      • Thread Sealants
      • Threadlockers
      • Tire Sealants
    • Agricultural
      • Belting
      • Cutting Parts
      • Reel Components
      • Sprayer Parts
      • Tines & Teeth
      • Whole Goods & Estate Equiment
    • Ag & Automotive
      • Air Fresheners
      • Automotive Parts
      • Chassis Hardware
      • Exhaust
      • Mudflaps
      • Steering
      • Throttle
      • Windshield Wipers
    • Camping Equipment
    • Fasteners
      • Anchors
      • Automotive
      • Carriage Bolts
      • Dowel Pins
      • Elevator Bolts
      • Furniture Fasteners
      • Hex Head Cap Screws
      • Lag Bolts
      • Nuts
      • Plow Bolts
      • Rivets
      • Scraper Blade Bolts
      • Screws
      • Set Screws
      • Snap Fasteners
      • Socket Head Cap Screws
      • Threaded Inserts
      • Washers
      • Weld Fasteners
    • Bearings
      • Ball Bearings
      • Bearing Blocks
      • Bushings
      • IKO
      • Needle Bearings
      • NTN Bearings
      • Plain Spherical Bearings
      • Rod Ends
      • Spherical Roller Bearings
      • Taper Bearings
      • Taper Bore Accessories
    • Chemicals
      • Air Brakes
      • Air Conditioning
      • Asphalt Agents
      • Belt Dressing
      • Cleaners
      • Concrete Agents
      • Corrosion Inhibitors
      • De-Icers
      • Degreasers
      • Disinfectants
      • Fuel Treatments
      • Heat Barriers
      • Layout Fluid
      • Leak Detection
      • Mould Agents
      • Protectants
      • Repellents
      • Solvents
    • Electrical
      • Alarm Devices
      • Automotive
      • Automotive Terminals
      • Batteries
      • Cable Management
      • Circuit Breakers
      • Electric Motors
      • Extension Cords
      • Ford Series
      • Fuses
      • Generators
      • Housings
      • Modular Contact Connectors
      • Relays & Solenoids
      • Solder & Flux
      • Solder & Solderless Connectors
      • Switches
      • Towing & Trailers
      • Utility Plugs & Outlets
      • Wire & Cable
    • Filtration
      • Filters
    • Fittings
      • Assorted Adapters
      • Brake Bleeder Screws
      • Compression
      • Crimp Fittings
      • DOT Approved
      • Drain Plugs
      • Gruvlok
      • Inverted Flare
      • PEX Fittings
      • Propane & Gas
      • Push Connect
      • Quick Connectors
      • Repair Fittings
      • Reuseable Fittings
      • Sch. 40 Black Iron
      • Sch. 40 Galvanized Iron
      • Valves
      • Water Hose
      • Welding Gases
    • General Hardware
      • 3 Point Attachment
      • Assorted Clamps & U-bolts
      • Gate Hardware
      • Hooks, Rings, Snaps & Latches
      • Keystock
      • Locks
      • Pins
      • Retaining Rings
      • Shim Stock
      • Shims & Bushings
      • Springs
    • Green Line
      • Adhesives & Sealants
      • Automotive
      • Fittings
      • Hose & Tubing
      • Janitorial
      • Lubrication
      • Measurement
      • Pnuematics
      • Sch. 40 Black Iron
      • Seals & Anti-Contamination
    • Hose & Tubing
      • Accessories
      • Air Lines
      • Clamps
      • DOT Approved
      • Fuel Delivery
      • Hose
      • Hydraulic Assemblies
      • Leak Detection
      • Mounting Hardware
      • Pressure Wash
      • Propane & Gas
      • Protection
      • Sewer Cleaning Assemblies
      • Storage Reels
      • Tubing
      • Water Discharge
      • Welding Gases
    • Industrial Beverages & Electrolytes
      • Freezies
      • Liquid Concentrate
      • Powdered Concentrate
    • Janitorial
      • Dish & Laundry Detergent
      • Garbage Bags
      • Hair & Body Wash
      • Hand Cleaners
      • Hand Sanitizers
      • Liquid Drain Plumber
      • Odour Control
      • Skin Care
      • Toilet Bowls
    • Lighting
      • Flashlights
      • Headlamps
      • Light Bars
      • Light Strips
      • Off Road Kits
      • String Lights
      • Vehicle Lighting
      • Warning Lighting
      • Work Lights
    • Lovejoy
      • Lubrication
      • Power Transmission
    • Lubrication
      • Application
      • Cutting Fluids
      • Fluid Transfer
      • Greases
      • Lubricating Oils & Fluids
      • Tire Lube
    • Material Handling
      • Cargo Control
      • Caster & Wheels
      • Drums
      • Hand Trucks
      • Lever Pullers
      • Lifting
      • Parts Washers
      • Winches
    • Measurement
      • Electrical Measurement
      • Gauges
      • Levels
      • Masonry & Carpentry
      • Measuring Containers
      • Measuring Scoops
      • Squares
      • Tape Measures
      • Thermal Measurement
      • Tool & Die
    • Milwaukee
    • Paint
      • Application Tools
      • High Temperature
      • Markers
      • Primers
    • Pnuematics
      • Blow Guns
      • Distribution
      • FRL's
      • Inflation
    • Power Transmission
      • Belting
      • Chains
      • Couplers
      • Hubs & Bushings
      • Powerlink
      • PTO
      • Ringball
      • Sheaves
      • Sprockets
      • Timing Pulleys
      • Westward Parts
    • Pressure Washers
      • Cleaning Agents
    • Rigging & Hardware
      • Block & Tackle
      • Lifting Eye Bolts
      • Link Chain
      • Turnbuckles
      • Web Slings
      • Wire Rope
    • Safety Products
      • Breathing Protection
      • Eye Wash
      • Foot Wear
      • Crowd Control
      • Disposable Suits
      • Eye Wear
      • Fall Protection
      • Forearm Protection
      • FR Clothing
      • Hand Protection
      • Head Gear
      • Hearing Protection
      • Hi-Viz Clothing
      • Knee Protection
      • Rainwear
      • Welding Clothing
    • Seals & Anti-Contamination
      • Back-Up Rings
      • End Covers
      • High Pressure Oil Seals
      • National
      • O-Rings
      • Rubber Caps
      • Rubber Grommets
      • Shaft Seal Repair Sleeves
      • Standard Oil Seals
    • Shop Supplies
      • Document & Operating Manual Storage
      • Inventory Management
      • Marking & Identification
      • Rope
      • Stretch Film
      • Tarpaulins
      • Wire & Tags
    • Signage
      • Placards
    • Tools
      • Air Tools
      • Creepers & Kneeling Mats
      • Cutting Tools
      • Hand Tools
      • Hydraulics
      • Power Tools
      • Presses
      • Sprayers
      • Tool Management
    • Towing & Trailers
      • Clearance & Marker Lights
      • Dollies
      • Mirrors
      • Mounts & Receivers
      • Reflectors
      • Stop-Tail-Turn Lights
      • Tires & Rims
      • Tow Ropes & Recovery Straps
      • Trailer Bearing Kits
      • Trailer Jacks
      • Trailer Lighting
    • Vanguard
      • General Hardware
      • Hose & Tubing
      • Material Handling
      • Rigging & Hardware
      • Tools
    • Welding Supplies
      • Accessories
      • Chemicals
      • Consumables
      • Marking & Etching
      • MIG & TIG
      • Passivation
      • Torches & Parts
      • Weld Cleaning
      • Welding Blankets
      • Welding Curtains
  • Shop By Brand

  • Timken
  • Spaenaur
  • Raybestos
  • Mevotech
  • Clarkson-Osborn
  • NTN
  • Greenline
  • Paulin
  • Fairview
  • SKF Seals
  • Baldwin Filters
  • Milwaukee
  • PICO
  • MOOG
  • GSP
  • DMR
  • Masterdrive
  • Jet Tools
  • Ringball
  • Grote
  • IKO
  • National Oil Seals
  • Gruvlok
  • Westward Parts
  • D&D Global
  • Neapco
  • Dynaline
  • Walter
  • Lisle
  • Power-Link
  • Timken Oil Seals
  • Volkel
  • Vanguard
  • Timken/Drives
  • Symmco
  • Tuff Grade
  • Markal
  • Irwin
  • Boss Tools
  • Bob Dale Gloves
  • 3M
  • Lloyds Chemicals
  • Brighton Best
  • Henkel-Loctite
  • Jackson Safety
  • Lucas Products
  • Empire
  • Sellstrom
  • Permatex
  • Strongarm
  • Deb/Stoko
  • Olfa
  • KBC Bearings
  • Energizer
  • Ansell
  • AMCAN
  • Emzone
  • Little Tree
  • Stiletto
  • Advanced Cable Ties
  • Mega Comfort
  • Ez Oil Drain Valve
  • Channellock
  • WD-40
  • ALL-WEATHER
  • J-B WELD
  • Fel-Pro
  • StarTech Lighting
  • Stanadyne
  • Sqwincher
  • Induction Innovations
  • Lubriplate
  • Emhart
  • Flex Seal
  • ClearPlus
  • PIP Canada
  • LockNLube
  • Durabilt
  • NSK
  • Tite-Reach
  • Power Service
  • Seafoam
  • Bestway
  • Nachi
  • TDW
  • FAG Bearings
  • FPPF Chemicals
  • Kano Laboratories
  • Mobil 1
  • Weldmark
  • View all Brands
  • Gift Certificates
  • Login or Sign Up
×

    Main Menu

  • Home
  • Products
  • Brands
  • Hose Assemblies
  • Flyers & Generic Catalogues
  • Legacy Website
  • Shipping & Returns
  • Contact Us
  • Shop By Category

  • Products
    • Abrasives
      • Bonded Abrasives
      • Buffing & Polishing
      • Coated Abrasives
      • Lapping Compounds
      • Wire Products
    • Spaenaur
    • Timken
      • Measurement
      • Power Transmission
    • Additional Freight
      • Testing
    • Adhesives & Sealants
      • Anti-Skid Floor Coatings
      • Application Tools
      • Cyanoacrylates
      • Epoxies
      • Flanges & Gaskets
      • Glues
      • Pipe Sealants
      • Polyurethanes
      • Potting Compounds
      • Primers
      • Reflective Marking Tape
      • Repair Wraps
      • Retaining Compounds
      • Rubberized Coatings
      • Silicones
      • Specialty Automotive
      • Tapes
      • Thread Sealants
      • Threadlockers
      • Tire Sealants
    • Agricultural
      • Belting
      • Cutting Parts
      • Reel Components
      • Sprayer Parts
      • Tines & Teeth
      • Whole Goods & Estate Equiment
    • Ag & Automotive
      • Air Fresheners
      • Automotive Parts
      • Chassis Hardware
      • Exhaust
      • Mudflaps
      • Steering
      • Throttle
      • Windshield Wipers
    • Camping Equipment
    • Fasteners
      • Anchors
      • Automotive
      • Carriage Bolts
      • Dowel Pins
      • Elevator Bolts
      • Furniture Fasteners
      • Hex Head Cap Screws
      • Lag Bolts
      • Nuts
      • Plow Bolts
      • Rivets
      • Scraper Blade Bolts
      • Screws
      • Set Screws
      • Snap Fasteners
      • Socket Head Cap Screws
      • Threaded Inserts
      • Washers
      • Weld Fasteners
    • Bearings
      • Ball Bearings
      • Bearing Blocks
      • Bushings
      • IKO
      • Needle Bearings
      • NTN Bearings
      • Plain Spherical Bearings
      • Rod Ends
      • Spherical Roller Bearings
      • Taper Bearings
      • Taper Bore Accessories
    • Chemicals
      • Air Brakes
      • Air Conditioning
      • Asphalt Agents
      • Belt Dressing
      • Cleaners
      • Concrete Agents
      • Corrosion Inhibitors
      • De-Icers
      • Degreasers
      • Disinfectants
      • Fuel Treatments
      • Heat Barriers
      • Layout Fluid
      • Leak Detection
      • Mould Agents
      • Protectants
      • Repellents
      • Solvents
    • Electrical
      • Alarm Devices
      • Automotive
      • Automotive Terminals
      • Batteries
      • Cable Management
      • Circuit Breakers
      • Electric Motors
      • Extension Cords
      • Ford Series
      • Fuses
      • Generators
      • Housings
      • Modular Contact Connectors
      • Relays & Solenoids
      • Solder & Flux
      • Solder & Solderless Connectors
      • Switches
      • Towing & Trailers
      • Utility Plugs & Outlets
      • Wire & Cable
    • Filtration
      • Filters
    • Fittings
      • Assorted Adapters
      • Brake Bleeder Screws
      • Compression
      • Crimp Fittings
      • DOT Approved
      • Drain Plugs
      • Gruvlok
      • Inverted Flare
      • PEX Fittings
      • Propane & Gas
      • Push Connect
      • Quick Connectors
      • Repair Fittings
      • Reuseable Fittings
      • Sch. 40 Black Iron
      • Sch. 40 Galvanized Iron
      • Valves
      • Water Hose
      • Welding Gases
    • General Hardware
      • 3 Point Attachment
      • Assorted Clamps & U-bolts
      • Gate Hardware
      • Hooks, Rings, Snaps & Latches
      • Keystock
      • Locks
      • Pins
      • Retaining Rings
      • Shim Stock
      • Shims & Bushings
      • Springs
    • Green Line
      • Adhesives & Sealants
      • Automotive
      • Fittings
      • Hose & Tubing
      • Janitorial
      • Lubrication
      • Measurement
      • Pnuematics
      • Sch. 40 Black Iron
      • Seals & Anti-Contamination
    • Hose & Tubing
      • Accessories
      • Air Lines
      • Clamps
      • DOT Approved
      • Fuel Delivery
      • Hose
      • Hydraulic Assemblies
      • Leak Detection
      • Mounting Hardware
      • Pressure Wash
      • Propane & Gas
      • Protection
      • Sewer Cleaning Assemblies
      • Storage Reels
      • Tubing
      • Water Discharge
      • Welding Gases
    • Industrial Beverages & Electrolytes
      • Freezies
      • Liquid Concentrate
      • Powdered Concentrate
    • Janitorial
      • Dish & Laundry Detergent
      • Garbage Bags
      • Hair & Body Wash
      • Hand Cleaners
      • Hand Sanitizers
      • Liquid Drain Plumber
      • Odour Control
      • Skin Care
      • Toilet Bowls
    • Lighting
      • Flashlights
      • Headlamps
      • Light Bars
      • Light Strips
      • Off Road Kits
      • String Lights
      • Vehicle Lighting
      • Warning Lighting
      • Work Lights
    • Lovejoy
      • Lubrication
      • Power Transmission
    • Lubrication
      • Application
      • Cutting Fluids
      • Fluid Transfer
      • Greases
      • Lubricating Oils & Fluids
      • Tire Lube
    • Material Handling
      • Cargo Control
      • Caster & Wheels
      • Drums
      • Hand Trucks
      • Lever Pullers
      • Lifting
      • Parts Washers
      • Winches
    • Measurement
      • Electrical Measurement
      • Gauges
      • Levels
      • Masonry & Carpentry
      • Measuring Containers
      • Measuring Scoops
      • Squares
      • Tape Measures
      • Thermal Measurement
      • Tool & Die
    • Milwaukee
    • Paint
      • Application Tools
      • High Temperature
      • Markers
      • Primers
    • Pnuematics
      • Blow Guns
      • Distribution
      • FRL's
      • Inflation
    • Power Transmission
      • Belting
      • Chains
      • Couplers
      • Hubs & Bushings
      • Powerlink
      • PTO
      • Ringball
      • Sheaves
      • Sprockets
      • Timing Pulleys
      • Westward Parts
    • Pressure Washers
      • Cleaning Agents
    • Rigging & Hardware
      • Block & Tackle
      • Lifting Eye Bolts
      • Link Chain
      • Turnbuckles
      • Web Slings
      • Wire Rope
    • Safety Products
      • Breathing Protection
      • Eye Wash
      • Foot Wear
      • Crowd Control
      • Disposable Suits
      • Eye Wear
      • Fall Protection
      • Forearm Protection
      • FR Clothing
      • Hand Protection
      • Head Gear
      • Hearing Protection
      • Hi-Viz Clothing
      • Knee Protection
      • Rainwear
      • Welding Clothing
    • Seals & Anti-Contamination
      • Back-Up Rings
      • End Covers
      • High Pressure Oil Seals
      • National
      • O-Rings
      • Rubber Caps
      • Rubber Grommets
      • Shaft Seal Repair Sleeves
      • Standard Oil Seals
    • Shop Supplies
      • Document & Operating Manual Storage
      • Inventory Management
      • Marking & Identification
      • Rope
      • Stretch Film
      • Tarpaulins
      • Wire & Tags
    • Signage
      • Placards
    • Tools
      • Air Tools
      • Creepers & Kneeling Mats
      • Cutting Tools
      • Hand Tools
      • Hydraulics
      • Power Tools
      • Presses
      • Sprayers
      • Tool Management
    • Towing & Trailers
      • Clearance & Marker Lights
      • Dollies
      • Mirrors
      • Mounts & Receivers
      • Reflectors
      • Stop-Tail-Turn Lights
      • Tires & Rims
      • Tow Ropes & Recovery Straps
      • Trailer Bearing Kits
      • Trailer Jacks
      • Trailer Lighting
    • Vanguard
      • General Hardware
      • Hose & Tubing
      • Material Handling
      • Rigging & Hardware
      • Tools
    • Welding Supplies
      • Accessories
      • Chemicals
      • Consumables
      • Marking & Etching
      • MIG & TIG
      • Passivation
      • Torches & Parts
      • Weld Cleaning
      • Welding Blankets
      • Welding Curtains
  • Shop By Brand

  • Timken
  • Spaenaur
  • Raybestos
  • Mevotech
  • Clarkson-Osborn
  • NTN
  • Greenline
  • Paulin
  • Fairview
  • SKF Seals
  • Baldwin Filters
  • Milwaukee
  • PICO
  • MOOG
  • GSP
  • DMR
  • Masterdrive
  • Jet Tools
  • Ringball
  • Grote
  • IKO
  • National Oil Seals
  • Gruvlok
  • Westward Parts
  • D&D Global
  • Neapco
  • Dynaline
  • Walter
  • Lisle
  • Power-Link
  • Timken Oil Seals
  • Volkel
  • Vanguard
  • Timken/Drives
  • Symmco
  • Tuff Grade
  • Markal
  • Irwin
  • Boss Tools
  • Bob Dale Gloves
  • 3M
  • Lloyds Chemicals
  • Brighton Best
  • Henkel-Loctite
  • Jackson Safety
  • Lucas Products
  • Empire
  • Sellstrom
  • Permatex
  • Strongarm
  • Deb/Stoko
  • Olfa
  • KBC Bearings
  • Energizer
  • Ansell
  • AMCAN
  • Emzone
  • Little Tree
  • Stiletto
  • Advanced Cable Ties
  • Mega Comfort
  • Ez Oil Drain Valve
  • Channellock
  • WD-40
  • ALL-WEATHER
  • J-B WELD
  • Fel-Pro
  • StarTech Lighting
  • Stanadyne
  • Sqwincher
  • Induction Innovations
  • Lubriplate
  • Emhart
  • Flex Seal
  • ClearPlus
  • PIP Canada
  • LockNLube
  • Durabilt
  • NSK
  • Tite-Reach
  • Power Service
  • Seafoam
  • Bestway
  • Nachi
  • TDW
  • FAG Bearings
  • FPPF Chemicals
  • Kano Laboratories
  • Mobil 1
  • Weldmark
  • View all Brands
  • Gift Certificates
  • Login or Sign Up
  • Home
  • Products
  • Bearings
  • Bearing Blocks
  • Solid Steel Spherical Roller Bearing Units
  • Four Bolt Pillow Blocks
  • Dual V-Lock® - Metric
  • 70mm Timken QVVPR Four Bolt Pillow Block - Double V-Lock® - Double Lip Viton Seals - Float QVVPR16V070SEC
  • 70mm Timken QVVPR Four Bolt Pillow Block - Double V-Lock® - Double Lip Viton Seals - Float  QVVPR16V070SEC
  • 70mm Timken QVVPR Four Bolt Pillow Block - Double V-Lock® - Double Lip Viton Seals - Float  QVVPR16V070SEC
  • 70mm Timken QVVPR Four Bolt Pillow Block - Double V-Lock® - Double Lip Viton Seals - Float  QVVPR16V070SEC
  • 70mm Timken QVVPR Four Bolt Pillow Block - Double V-Lock® - Double Lip Viton Seals - Float  QVVPR16V070SEC
  • 70mm Timken QVVPR Four Bolt Pillow Block - Double V-Lock® - Double Lip Viton Seals - Float  QVVPR16V070SEC
  • 70mm Timken QVVPR Four Bolt Pillow Block - Double V-Lock® - Double Lip Viton Seals - Float  QVVPR16V070SEC
  • 70mm Timken QVVPR Four Bolt Pillow Block - Double V-Lock® - Double Lip Viton Seals - Float  QVVPR16V070SEC
  • 70mm Timken QVVPR Four Bolt Pillow Block - Double V-Lock® - Double Lip Viton Seals - Float  QVVPR16V070SEC 70mm Timken QVVPR Four Bolt Pillow Block - Double V-Lock® - Double Lip Viton Seals - Float  QVVPR16V070SEC 70mm Timken QVVPR Four Bolt Pillow Block - Double V-Lock® - Double Lip Viton Seals - Float  QVVPR16V070SEC 70mm Timken QVVPR Four Bolt Pillow Block - Double V-Lock® - Double Lip Viton Seals - Float  QVVPR16V070SEC 70mm Timken QVVPR Four Bolt Pillow Block - Double V-Lock® - Double Lip Viton Seals - Float  QVVPR16V070SEC 70mm Timken QVVPR Four Bolt Pillow Block - Double V-Lock® - Double Lip Viton Seals - Float  QVVPR16V070SEC 70mm Timken QVVPR Four Bolt Pillow Block - Double V-Lock® - Double Lip Viton Seals - Float  QVVPR16V070SEC

    70mm Timken QVVPR Four Bolt Pillow Block - Double V-Lock® - Double Lip Viton Seals - Float QVVPR16V070SEC

    Timken

    MSRP:
    Now: $1,335.30
    (You save )
    (No reviews yet) Write a Review
    SKU:
    TIM QVVPR16V070SEC
    UPC:
    UPC 883450217293
    Weight:
    28.07 LBS
    Shaft size:
    70mm
    Seal lip material:
    Viton
    Seal type:
    Double lip
    Seal suffix:
    C
    Fits covers:
    CS/CV/CKVR/CVDR/CVVR
    Denomination:
    Metric
    Bearing posistion:
    Floating
    Shaft mount:
    Timken V-Lock®
    Factory greased:
    Yes
    Finish:
    Painted
    *For quick delivery:
    The "M" seal is the most commonly ordered seal among all block types
    HST code:
    8483.20.0020

    Adding to cart… category.add_cart_announcement
    Add to Wish List
    • Create New Wish List
    • Facebook
    • Email
    • Print
    • Twitter
    • Pinterest
    • Overview
    • Reviews

    Product Description

    QVPR/QVVPR Four Bolt Pillow Block Bearing Units

  • In response to our valued customers input, V-Lock was specifically designed to address common spherical roller bearing, solid-block housed unit problems
  • The V-Lock® locking mechanism (U.S. Pat. No. 7344313) evenly distributes force on the shaft, helping eliminate fretting corrosion
  • V-Lock provides maximum holding power and prevents over tightening
  • The design provides a reliable mechanical withdrawal sleeve technology
  • Proprietary bi-directional taper design of inner ring on the spherical bearing offers preset radial internal clearances (feeler gages are not required)
  • Quick installation (typically 10 minutes or less)
  • Highest shaft-holding power
  • Works well in high-speed applications where shaft centering is an issue
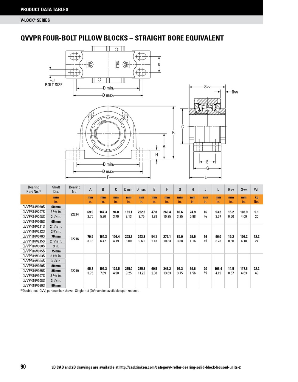
  • Please refer to both the image in the photo carousel labeled "Product Data Tables" and the .PDF file icon located below for an immediate breakdown of how the Timken Blue Brute® series interchanges by part number and equates to other competing manufacturers nomenclature

    Select from the many options offered by the Timken spherical roller bearing (SRB) Blue Brute® series

  • Two bolt pillow blocks
  • Four bolt pillow blocks
  • Flange blocks: square & round versions (piloted option available on some units)
  • Piloted flange cartridges
  • Take-up blocks
  • Cartridge blocks
  • Hanger blocks
  • Labyrinth seals: DuPont® teflon (T)
  • Triple-lip seals: nitrile rubber (M), urethane (O) and DuPont® viton (N)
  • Double-lip seals: nitrile rubber (B) and DuPont® viton (C)
  • Steel and urethane closed-end covers (CS)
  • Steel and urethane open-end covers (CJ) with: DuPont® teflon labyrinth seals (T), triple-lip seals (DR), and V-ring seals (VR)
  • Piloted flange cartridge backing plates (HSY) with triple-lip seals (DR)
  • Flange block backing plates (UFP) with optional V-rings (VR)


  • adobepdficon.png Timken Solid Steel SRB Units

     


    adobepdficon.png Competitors Interchange (Please note: not all listed round piloted unit equivalents necessarily have the same pilot depth - please confirm before ordering)

     

    Timken stronger by design

    Product Videos

    Custom Field

    Shaft size 70mm
    Seal lip material Viton
    Seal type Double lip
    Seal suffix C
    Fits covers CS/CV/CKVR/CVDR/CVVR
    Denomination Metric
    Bearing posistion Floating
    Shaft mount Timken V-Lock®
    Factory greased Yes
    Finish Painted
    *For quick delivery The "M" seal is the most commonly ordered seal among all block types
    HST code 8483.20.0020

    Product Reviews

    Write a Review

    Write a Review

    ×
    70mm Timken QVVPR Four Bolt Pillow Block - Double V-Lock® - Double Lip Viton Seals - Float  QVVPR16V070SEC
    Timken
    70mm Timken QVVPR Four Bolt Pillow Block - Double V-Lock® - Double Lip Viton Seals - Float QVVPR16V070SEC

    ×

    Recommended

    • 70mm Timken QVVPR Four Bolt Pillow Block - Double V-Lock® - Triple Lip Viton Seals - Float  QVVPR16V070SEN 70mm Timken QVVPR Four Bolt Pillow Block - Double V-Lock® - Triple Lip Viton Seals - Float  QVVPR16V070SEN 70mm Timken QVVPR Four Bolt Pillow Block - Double V-Lock® - Triple Lip Viton Seals - Float  QVVPR16V070SEN 70mm Timken QVVPR Four Bolt Pillow Block - Double V-Lock® - Triple Lip Viton Seals - Float  QVVPR16V070SEN

      Timken

      |

      sku: TIM QVVPR16V070SEN

      70mm Timken QVVPR Four Bolt Pillow Block - Double V-Lock® - Triple Lip Viton Seals - Float QVVPR16V070SEN

      MSRP:
      Now: $1,335.30
      Add to Cart
    • 70mm Timken QVVPR Four Bolt Pillow Block - Double V-Lock® - Double Lip Viton Seals - Fixed  QVVPR16V070SC 70mm Timken QVVPR Four Bolt Pillow Block - Double V-Lock® - Double Lip Viton Seals - Fixed  QVVPR16V070SC 70mm Timken QVVPR Four Bolt Pillow Block - Double V-Lock® - Double Lip Viton Seals - Fixed  QVVPR16V070SC 70mm Timken QVVPR Four Bolt Pillow Block - Double V-Lock® - Double Lip Viton Seals - Fixed  QVVPR16V070SC

      Timken

      |

      sku: TIM QVVPR16V070SC

      70mm Timken QVVPR Four Bolt Pillow Block - Double V-Lock® - Double Lip Viton Seals - Fixed QVVPR16V070SC

      MSRP:
      Now: $1,335.30
      Add to Cart
    • 70mm Timken QVVPR Four Bolt Pillow Block - Double V-Lock® - Double Lip Nitrile Seals - Float  QVVPR16V070SEB 70mm Timken QVVPR Four Bolt Pillow Block - Double V-Lock® - Double Lip Nitrile Seals - Float  QVVPR16V070SEB 70mm Timken QVVPR Four Bolt Pillow Block - Double V-Lock® - Double Lip Nitrile Seals - Float  QVVPR16V070SEB 70mm Timken QVVPR Four Bolt Pillow Block - Double V-Lock® - Double Lip Nitrile Seals - Float  QVVPR16V070SEB

      Timken

      |

      sku: TIM QVVPR16V070SEB

      70mm Timken QVVPR Four Bolt Pillow Block - Double V-Lock® - Double Lip Nitrile Seals - Float QVVPR16V070SEB

      MSRP:
      Now: $1,335.30
      Add to Cart
    • 60mm Timken QVVPR Four Bolt Pillow Block - Double V-Lock® - Double Lip Viton Seals - Float  QVVPR14V060SEC 60mm Timken QVVPR Four Bolt Pillow Block - Double V-Lock® - Double Lip Viton Seals - Float  QVVPR14V060SEC 60mm Timken QVVPR Four Bolt Pillow Block - Double V-Lock® - Double Lip Viton Seals - Float  QVVPR14V060SEC 60mm Timken QVVPR Four Bolt Pillow Block - Double V-Lock® - Double Lip Viton Seals - Float  QVVPR14V060SEC

      Timken

      |

      sku: TIM QVVPR14V060SEC

      60mm Timken QVVPR Four Bolt Pillow Block - Double V-Lock® - Double Lip Viton Seals - Float QVVPR14V060SEC

      MSRP:
      Now: $864.21
      Add to Cart
    ×
    Join Our Mailing List for special offers!
    Contact Us
    Prairie Bearing & Bolt
    44-A Mercy Street
    Selkirk, MB R1A 1Z7
    Canada
    Accounts & Orders
    • Wishlist
    • Login or Sign Up
    • Shipping & Returns
    Quick Links
    • Home
    • Products
    • Brands
    • Hose Assemblies
    • Flyers & Generic Catalogues
    • Legacy Website
    • Shipping & Returns
    • Contact Us
    Connect with Us:
    • © Prairie Bearing & Bolt
    • |
    • Sitemap